1. 齒輪的種類及特長
齒輪大致可以分成三種類型。請看具體的分類情況及KHK標準齒輪的構成。
齒輪的傳動型式 – 平行軸
齒輪的類型 : 直齒輪

傳動效率 (%) – 98.0?99.5
KHK 標準齒輪 – MSGA, SSG, SS, SUS, PS
齒輪的類型 : 斜齒齒輪

傳動效率 (%) – 98.0?99.5
KHK 標準齒輪 – KHG, SH
齒輪的類型 : 齒條?斜齒齒條

傳動效率 (%) – 98.0?99.5
KHK 標準齒輪 – KRG(F)(D), SRFD, SUR(F)(D), PR(F), KRHG(F)
齒輪的類型 : 內齒輪

傳動效率 (%) – 98.0?99.5
KHK 標準齒輪 – SI, SIR
齒輪的傳動型式 – 相交軸
齒輪的類型 : 等比傘形齒輪

傳動效率 (%) – 98.0?99.0
KHK 標準齒輪 – MMSG, SMSG, MM, SUM, PM
齒輪的類型 : 直齒傘形齒輪

傳動效率 (%) – 98.0?99.0
KHK 標準齒輪 – SB and SBY, SB, SUB, PB, DB
齒輪的類型 : 弧齒傘形齒輪

傳動效率 (%) – 98.0?99.0
KHK 標準齒輪 – MBSG, SBSG, MBSA(B), SBS
齒輪的傳動型式 – 交錯軸
齒輪的類型 : 交錯軸斜齒輪

傳動效率 (%) – 70.0?95.0
KHK 標準齒輪 – SN, SUN, AN, PN
齒輪的類型 : 蝸桿蝸輪

傳動效率 (%) – 30.0?90.0
KHK 標準齒輪 – KWGDL(S) & AGDL, KWG & AGF, SWG & AG, SW & BG and CG, SW & PG
齒輪傳動機構根據齒輪嚙合時齒輪軸的相對位置大體上被分為三種類型。在這里,我們將向您介紹齒輪的使用方法,特征及注意點。
1-1 平行軸齒輪
因為兩個齒輪的軸線平行,所以稱為「平行軸」。平行軸齒輪傳動機構中一般使用直齒輪,斜齒齒輪,內齒輪。上述類型的齒輪是使用范圍及用途最為廣泛的齒輪。
直齒輪(Spur gears)
直齒輪的齒線為直線。是在平行的兩軸之間做旋轉運動傳遞動力的圓柱齒輪。因為易于加工,所以廣泛所以在動力傳動上。
-
特征 / 注意點
- 是最為容易制造的齒輪。
- 因為不產生軸向力所以容易使用。
- 一對齒輪配合時對輪齒數的選擇沒有限制。
傳動比
請看圖(1.1)所示的單對齒輪傳動示意圖。兩個齒輪的旋轉方向相反。齒輪 1 右旋時齒輪 2 為左旋。兩個齒輪的齒數不同時為變速傳動(增速或減速)。齒輪 1 做驅動齒輪時為減速傳動。齒輪 2 做驅動齒輪時為增速傳動
= 被動齒輪的齒數 (z2) / 驅動齒輪的齒數 (z1)
= 驅動齒輪的轉速 (n1) / 被動齒輪的轉速 (n2)
(1.1)

圖1.1 直齒輪
例題 :
驅動齒輪 1 的齒數為 20 / 轉速為 400rpm / 被動齒輪 2 的齒數為 80 的單對齒輪
這個齒輪系的傳動比為 80 ÷ 20=4 / 齒輪 2 的轉速為 400 ÷ 4=100rpm

斜齒齒輪(Helical gears)
直齒輪的齒線扭曲呈螺旋線狀的齒輪是斜齒齒輪。斜齒齒輪比直齒輪承載能力大,噪音低。廣泛使用在汽車及產業機械等用途上。
- 特征 / 注意點 :
- 與同樣大小的直齒輪相比承載能力強。旋轉及傳動時的噪音低。
- 適合使用在高速旋轉的場合。
- 需要采取對策抵消軸向推力。
- 一對齒輪配合時對輪齒數的選擇沒有限制。
斜齒齒輪嚙合傳動時的旋轉方向及軸向力方向如圖 1.2 所示。使用推力軸承抵消軸向力。齒輪的旋轉方向與直齒輪的嚙合相同。

圖 1.2 旋轉方向與軸向力方向
一對齒輪的旋向相反。傳動比與直齒輪相同。
二級齒輪傳動機構的傳動比
齒輪 1 為驅動齒輪時,這個二級齒輪系的傳動比 ( i ) 為 :
= z2 / z1 × z4 / z3
= n1 / n2 × n3 / n4
(1.2)

圖 1.3 二級齒輪傳動機構
齒輪 1 與齒輪 4 的旋轉方向相同。齒輪 1/2/3/4 的齒數分別為 10/24/12/30,所以這個齒輪機構的減速比為 6。
內齒輪(Internal gears)
與直齒輪嚙合,在圓筒的內側加工有輪齒的齒輪。主要使用在行星齒輪機構及齒輪型聯軸器 (Geared type shaft couplings) 等裝置中。
- 特征 / 注意點 :
- 比直齒輪加工難度大。
- 使用在行星齒輪機構中可以獲得結構緊湊的齒輪裝置并得到高減速比。
- 一對內,外齒輪嚙合時,容易發生以下三種干涉 :
(a) 漸開線干涉 (b) 次擺線干涉 (c) 齒輪間干涉 - 一對齒輪配合時直齒輪的齒數應少于內齒輪齒數。
傳動比
最簡單的外齒輪 1(小齒輪)和齒輪 2(內齒輪)的嚙合中,外齒輪 1與內齒輪 2 的旋轉方向相同。圖(1.4)
= 被動齒輪的齒數 / 驅動齒輪的齒數
(1.3)

圖 1.4 直齒輪和內齒輪
行星齒輪機構
構成行星齒輪機構的要素主要有四點。太陽齒輪(A),行星齒輪(B),內齒輪(C),行星支架(D)。下側的示意圖中使用了四個行星齒輪。因為使用了多個齒輪來分擔負載,所以可以得到結構比較緊湊的裝置。行星齒輪機構中根據固定要素的不同,可以改變傳動比及旋轉方向。
(a) 行星型
輸入軸為太陽齒輪,輸出軸為行星支架,內齒輪固定
= Zc / Za + 1
(1.4)
(b) 太陽型
固定太陽齒輪。
(c) 星型
固定行星齒輪支架。

圖 1.5 行星齒輪裝置的構造

圖 1.6 行星齒機構的類型
1-2 做直線運動的齒輪
在平行軸傳動中,有一種相嚙齒輪沒有軸線的特殊傳動形式,即「直線運動」。將旋轉運動改變為直線運動或相反的場合,使用齒條和小齒輪。圓柱齒輪的直徑無限大(∞),齒數無窮多時的齒輪被稱為齒條。齒條主要使用在輸送裝置上。
齒條(Racks)
齒條是齒線為直線,與直齒輪嚙合的直線齒形的條狀齒輪。可以考慮是直齒輪的節圓半徑無限大(∞)的齒輪。齒條可以連接起來使用在長距離傳動上。
- 特征 / 注意點 :
- 與斜齒齒條相比制造容易,使用簡便。
- 對相嚙直齒輪的齒數沒有限制。
在齒條與小齒輪的嚙合中,小齒輪旋轉一周的移動距離為節距的齒數倍。節距是兩個相鄰輪齒與節線交點間的距離。如圖 1.7 所示,CP齒條可以簡單地達到定位目的。

圖 1.7 CP10 與 M3 的不同 - 小齒輪旋轉一周的移動距離 SS3-30 與 SSCP10-30 的比較
斜齒齒條(Helical Racks)
斜齒齒條是與斜齒輪嚙合的直線齒形的條狀齒輪。它的齒線傾斜,輪齒呈螺旋形。可以考慮是斜齒齒輪的節圓半徑無限大(∞)的齒輪。
- 特征 / 注意點 :
- 需要采取對策抵消軸向推力。
- 與尺寸相同的正齒條相比噪音小,傳動平穩。
- 適合使用在高速度傳動結構中。
- 對相嚙斜齒輪的齒數選擇沒有限制。
因為齒線為螺旋線,所以發生軸向力。旋轉方向與軸向力方向示意與圖 1.8 中。

圖 1.8 旋轉方向與軸向力方向
1-3 相交軸齒輪
在空間的某一點相交的兩軸稱為「相交軸」。在相交軸之間傳遞動力和運動的齒輪一般使用傘形齒輪 ( 錐齒輪 )。齒數比為1的傘形齒輪被稱為等比傘形齒輪。根據輪齒形狀是否彎曲,分類為直齒傘形齒輪與弧齒傘形齒輪。
直齒傘形齒輪(Straight bevel gears)
齒線為直線并與節錐圓的母線一致的錐形齒輪。因為在傘形齒輪中直齒傘形齒輪的加工比較容易,所以廣泛使用在動力傳動中。
- 特征 / 注意點 :
- 與弧齒傘形齒輪相比加工容易。
- 因為在負方向不發生軸向力,因此容易使用。
- 一對齒輪的齒數組合特別重要。與在不同齒數組合下制造的齒輪無法嚙合。
弧齒傘形齒輪(Spiral bevel gears)
直齒傘形齒輪的齒線彎曲呈圓弧狀的齒輪為弧齒傘形齒輪。雖然比起直齒傘形齒輪的加工難度高,但作為承載能力強。傳動噪音低的齒輪應用廣泛。
- 特征 / 注意點 :
- 比直齒齒輪更適合使用在高負荷 / 高速旋轉的傳動機構中。
- 需要注意軸向力(推力)的指向。
- 旋轉,傳動時比直齒齒輪的噪音低。
- 因為是在齒輪的齒數決定后成對生產,所以與其他齒數的齒輪盡管模數,壓力角相同也不能嚙合。

圖 1.10 嚙合齒面
傳動比
= 被動齒輪的齒數 / 驅動齒輪的齒數
(1.5)
作用在弧齒傘形齒輪上的軸向力
右圖所示為齒數比在 1.57 以上的弧齒傘形齒輪嚙合時的旋轉方向及推力方向。小齒輪(Pinion)的凸齒面為嚙合面時,負方向發生軸向力(推力)。

圖 1.11 旋轉方向與軸向力方向
等比傘形齒輪(Straight and Spiral miter gears)
齒數相同的齒輪組合后使用的傘形齒輪被稱為等比傘形齒輪。等比傘形齒輪分為直齒等比傘形齒輪及弧齒等比傘形齒輪兩種類型。一般的嚙合為軸角 90°,在 KHK 標準齒輪中,軸角為 45°/60°/120° 的斜交等比傘形齒輪也列為標準化產品。
- 特征 / 注意點 :
- 是齒數比為 1 的傘形齒輪。
- 使用在需要改變旋轉方向或傳動軸方向時。
作用在弧齒等比傘形齒輪上的軸向力
圖 1.12 中示意了弧齒等比傘形齒輪的旋轉方向與軸向力(推力)方向。與正向推力相同,負方向發生推力時,需要采取配置軸承等措施。保證能夠承受軸向力。

圖 1.12 旋轉方向與軸向力方向
斜交等比傘形齒輪與等比傘形齒輪 :
圖 1.13 KHK 標準齒輪的軸角
1-4 交錯軸齒輪
既不相交,亦不平行的兩軸被稱為「交錯軸」。在交錯軸間傳遞運動及動力的齒輪主要有蝸桿蝸輪及交錯軸斜齒輪。這些齒輪是利用齒面間的相對滑動而傳遞運動及動力。
交錯軸斜齒輪(Screw Gears)
它是螺旋角為 45° 的斜齒齒輪。當旋向相同的兩個齒輪在交錯軸間使用時被稱為交錯軸斜齒輪,只能使用在較輕負荷的傳動中。
- 特征 / 注意點 :
- 需要特別注意潤滑。因為是通過嚙合齒面滑動而旋轉傳動,所以如果傳動中發生斷油現象,會引起齒面的快速磨損。
- 與平行軸齒輪及相交軸齒輪相比,傳動效率低。只能使用在比較小動力的傳動系統中。
- 對齒數的組合沒有限制。(與傘形齒輪的不同點)
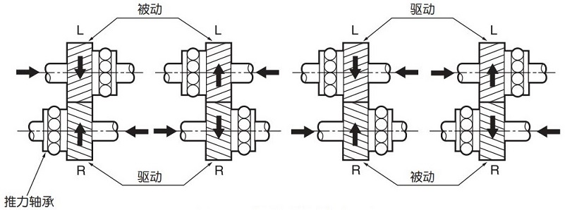
右旋(R)及左旋(L)交錯軸斜齒輪的嚙合中旋轉方向和軸向力方向示意于圖 1.14 中。

圖 1.14 旋轉方向與軸向力方向
傳動比
= 被動齒輪的齒數 / 驅動齒輪的齒數
(1.6)
蝸桿蝸輪(Worms, Worm wheels)
齒形呈螺紋狀的蝸桿和輪齒有螺旋角的蝸輪相配嚙合的齒輪副被稱為蝸桿蝸輪副。廣泛使用在傳動比大,高扭矩傳動等場合。
傳動比
= 蝸輪的齒數 / 蝸桿的頭數
(1.7)
右旋(R)及左旋(L)蝸桿蝸輪副嚙合傳動時旋轉方向與軸向力方向如圖 1.15 所示。
圖 1.15 旋轉方向與軸向力方向
- 特征 / 注意點 :
- 單對齒輪即可獲得大減速比。
- 與平行軸齒輪及相交軸齒輪相比,傳動效率低。蝸桿蝸輪副需要成對設計,制作。蝸輪的切齒加工以蝸桿的分度圓直徑為基準,選定切削工具后進行切齒加工。
- 與交錯軸斜齒輪相同,嚙合齒面容易發生滑動,所以需要特別注意潤滑。如果出現潤滑油中斷的情況,會引起齒面的快速磨損。
例題 :
蝸桿的頭數 z1 = 2, 蝸輪的齒數 z2 = 40
傳動比
= 40 / 2
= 20